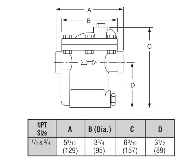
B0020A-3 3/4" 20# BUCKET TRAP

404188
Brand
Hoffman
In stock In stock
Few in stock Few in stock
Factory Order Factory Order

Description

404188 B0020A-3 3/4" 20# BUCKET TRAP

Specs

Connection Size 0.75"
Connection Type Threaded
Working Pressure - MAX 250 PSI
By clicking 'Accept All' you consent that we may collect information about you for various purposes, including: Statistics and Marketing