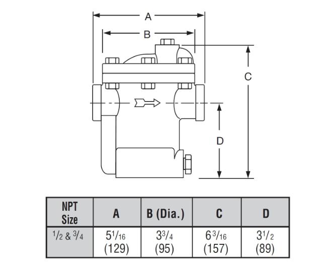
B0080A-2 1/2" 80# BUCKET TRAP

404181
Brand
Hoffman
In stock In stock
Few in stock Few in stock
Factory Order Factory Order

Description

404181 B0080A-2 1/2" 80# BUCKET TRAP

Specs

Connection Size 0.5"
Connection Type Threaded
Working Pressure - MAX 250 PSI
By clicking 'Accept All' you consent that we may collect information about you for various purposes, including: Statistics and Marketing