B0125A-3 | Bucket Trap

404190
Brand
Hoffman
In stock In stock
Few in stock Few in stock
Factory Order Factory Order

Description

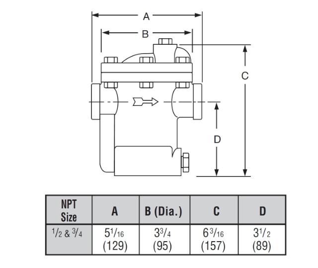
Hoffman B0125A-3 0.75" Bucket Trap 125#

Specs

Connection Size 0.75"
Connection Type Threaded
Working Pressure - MAX 250 PSI
By clicking 'Accept All' you consent that we may collect information about you for various purposes, including: Statistics and Marketing