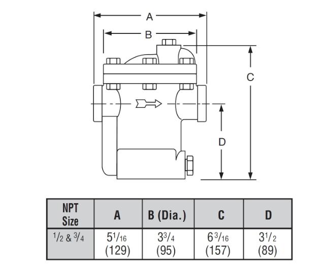
B0150S-2 1/2" 150# BUCKET TRAP W/STRAINER

404187
Brand
Hoffman
In Stock <br>Ships within 1-3 days In Stock
Ships within 1-3 days
Few in stock Few in stock
Factory Order <br> Contact JMP for Current Lead Times Factory Order
Contact JMP for Current Lead Times

Description

404187 B0150S-2 1/2" 150# BUCKET TRAP W/STRAINER

Specs

Connection Size 0.5"
Connection Type Threaded
Working Pressure - MAX 250 PSI
By clicking 'Accept All' you consent that we may collect information about you for various purposes, including: Statistics and Marketing