F&T Trap

401875
Brand
Hoffman
In Stock <br>Ships within 1-3 days In Stock
Ships within 1-3 days
Few in stock Few in stock
Factory Order <br> Contact JMP for Current Lead Times Factory Order
Contact JMP for Current Lead Times

Description

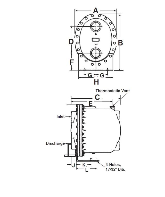
Hoffman FT030C-10 2.5" Float and Thermosatic Trap 30# C Style

Specs

Connection Size 2.5"
Connection Type Threaded
Working Pressure - MAX 175 PSI
By clicking 'Accept All' you consent that we may collect information about you for various purposes, including: Statistics and Marketing