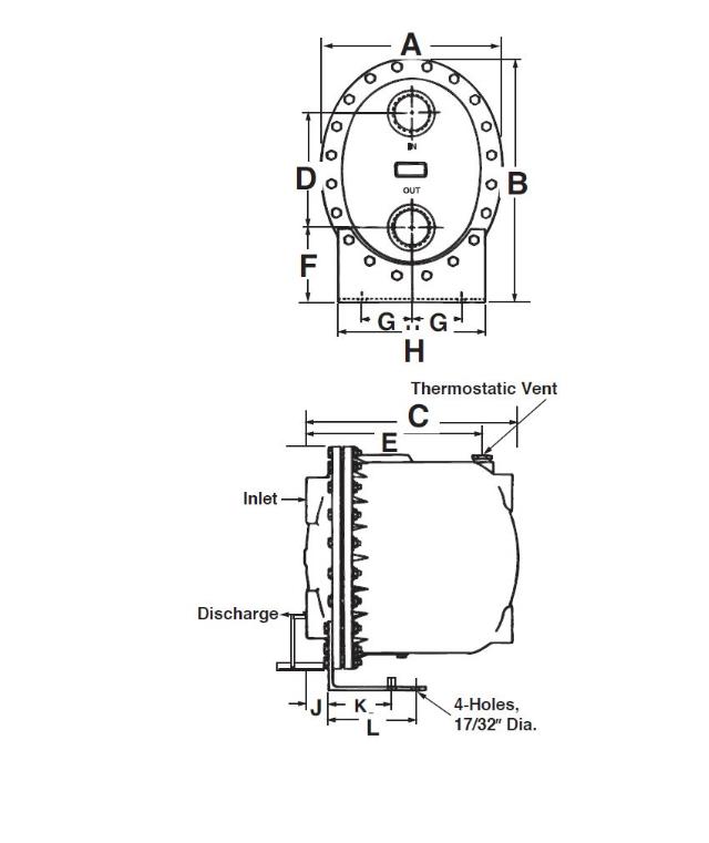
FT125C-10 2-1/2" 125# F&T C STYLE TRAP

401881
Brand
Hoffman
In stock In stock
Few in stock Few in stock
Factory Order Factory Order

Description

401881 FT125C-10 2-1/2" 125# F&T C STYLE TRAP

Specs

Connection Size 2.5"
Connection Type Threaded
Working Pressure - MAX 175 PSI
By clicking 'Accept All' you consent that we may collect information about you for various purposes, including: Statistics and Marketing