Commercial Rack Systems for Tankless Water Heaters

LCI-CRS-24B2B-N
Brand
Lochinvar
In stock In stock
Few in stock Few in stock
Factory Order Factory Order

Description

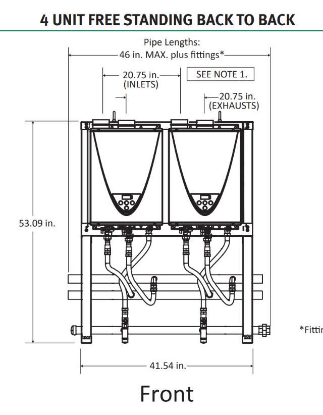
Commercial Rack Systems for Tankless Water Heaters, 2 Unit Indoor Back-To-Back Natural Gas

Specs

By clicking 'Accept All' you consent that we may collect information about you for various purposes, including: Statistics and Marketing