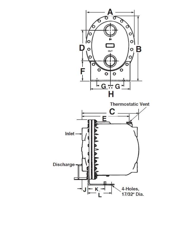
FT015C-10 | Float & Thermosatic Trap

404244
Brand
Hoffman
In Stock <br>Ships within 1-3 days In Stock
Ships within 1-3 days
Few in stock Few in stock
Factory Order <br> Contact JMP for Current Lead Times Factory Order
Contact JMP for Current Lead Times

Description

FT015C-10, 2.5", Float & Thermosatic Trap, 15#, C-Style

Specs

Connection Size 2.5"
Connection Type Threaded
Working Pressure - MAX 175 PSI
By clicking 'Accept All' you consent that we may collect information about you for various purposes, including: Statistics and Marketing